- STARTSEITE
- Produkte
- Drehzahlgeregelte Motoren & Getriebemotoren
- Drehzahlregler
Drehzahlgeregelte Motoren & Getriebemotoren
Drehzahlregler
Montierter Typ US-Serie
Der montierte Drehzahlregler des Motors zeichnet sich durch problemlose Verdrahtung und Drehzahlregelung aus. Schaltungen, Kondensatoren und Regelwiderstände sind im Regler eingebaut, der über ein verlängertes Kabel von 1 Meter Länge mit dem Motor verbunden ist. Einsatzbereit, sobald Strom zugeführt wird.- 6 W (1/125 PS) bis 90 W (1/8 PS), unidirektionale oder umschaltbare Modelle sind verfügbar
- Problemlose Verdrahtung und Drehzahlregelung
- Große Auswahl an variablen Drehzahlen
- Kompakt und kostengünstig
- Getriebemotormodelle sind mit paralleler Welle verfügbar
Umschaltbare Motoren, Getriebemotoren und Drehzahlregler als Kombination in einer Tabelle

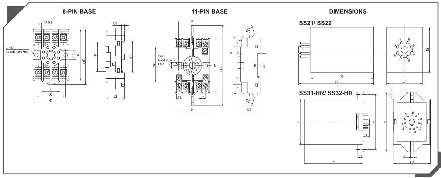
Abmessungen des Reglers als montierter Typ, US-Serie. (PDF)
.Getrennter Typ SS-Serie
Der getrennte Motordrehzahlregler bietet eine einfache Verdrahtung und Drehzahlregelung. Schaltkreise, Kondensator und variabler Widerstand sind in der Steuerung installiert. Betriebsbereit nach Stromversorgung.- 6 W (1/125 PS) ~ 90 W (1/8 PS), unidirektionale oder reversible Modelle erhältlich
- Einfache Verkabelung und Drehzahlregelung
- Große Auswahl an variabler Geschwindigkeit
- Eingebaute elektronische Bremskreise für sofortiges Bremsen (SS31-HR & SS32-HR)
- Kompakt und kostengünstig
- Getriebemotormodelle mit paralleler Welle erhältlich
